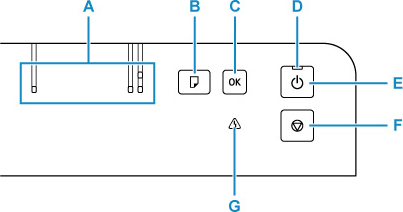
Panel operacyjny

- A: Kontrolka Papier (Paper)
- Lampki adekwatnie do bieżącego rozmiaru papieru.
- B: Przycisk Wybierz papier (Paper Select)
- Naciśnij, aby przełączyć się na rozmiar papieru.
- C: Przycisk OK
- Kończy rozmiar papieru. Służy również do naprawiania błędów.
- D: Kontrolka WŁ. (ON)
- Po włączeniu zasilania miga, a następnie świeci światłem ciągłym.
- E: przycisk WŁ. (ON)
-
Służy do włączania i wyłączania zasilania.
- F: przycisk Stop
- Umożliwia anulowanie operacji w trakcie drukowania lub wybierania pozycji menu.
- G: Kontrolka Alarm
- Świeci lub miga po wystąpieniu błędu.

